Antennentuner
Mein alter Antennentuner war mehr oder weniger ein Schnellschuss, um schnell QRV zu sein: Ein einfacher L-Tuner in Tiefpassform. Die Spule konnte per 12-stufigem Drehschalter in ihrer Induktivität verändert werden. Der Drehkondensator war ein Rundfunkdrehko mit 2x320 pF und rundfunkdrekotypisch geringen Plattenabständen. Um den Drehko mal am Eingang und mal am Ausgang mit der Spule zu verbinden, musste man durch Umstecken der Anschlußkabel Ein- und Ausgang vertauschen. Da der Tuner symetrisch aufgebaut war, mussten also jedesmal 4 Kabel umgesteckt werden. Das war Anfangs, als ich nur auf 80 Meter arbeitete, kein Problem. Später, als noch 20 und 40 Meter hinzukamen war es nervig, da beim Wechsel auf 40 Meter und zurück auf 80 oder 20 Meter umgesteckt werden musste.
Nach dem Kauf eines Antennenanalysators stellte sich allerdings heraus, das der Antennentuner mehr schlecht als recht arbeitete. Es lies sich zwar auf dem SWV-Meter ein Minimum einstellen, doch durch die recht grobe Abstufung der Spuleninduktivität kam ich manchmal nur auf ein SWV von gerade mal 6. Und die geringen Plattenabstände vermutete ich als Ursache für das mehrmalige Sterben von Endstufentransistoren.
Ein neuer Antennentuner sollte also folgende Anforderungen erfüllen: Er soll meine Antenne, einen Dipol mit 2x6,5 Meter, auf zumindest 80 bis 20 Metern, besser 160 bis 10 Metern, mit einem SWV < 2 oder besser anpassen. Das ganze bis 50 Watt. Der Aufwand sollte überschaubar bleiben und es sollten keine allzu exotischen, schwer beschaffbaren Bauteile verwendet werden.
Eine Rollspule schied somit schon mal aus: Exotisch und schwer beschaffbar. Also wieder eine in Stufen schaltbare Induktivität. Da Drehschalter mit mehr als 12 Schaltstellungen schon wieder unter die Kategorie "schwer beschaffbar" fallen, war eine spürbar feinere Abstufung als beim alten Tuner kaum möglich. Also ein Tuner in PI- oder T-Konfiguration, hier lässt sich dieser Mangel mit Hilfe des 2. Drehkondensators in gewissen Grenzen ausgleichen.
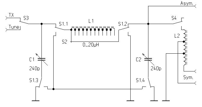
Was an dieser Stelle gleich die Frage aufwirft: PI oder T? Selbst längeres Suchen im Internet brachte keine Antwort. So wurde aus dem "oder" ein "und". Also umschaltbar zwischen PI und T. Dafür ist ein vierpoliger Umschalter notwendig. Der ist gerade so noch beschaffbar. Die Drehkondensatoren müssen nun allerdings isoliert befestigt werden.
An den Ausgang kommt ein Balun 1:1, abschaltbar falls doch mal eine unsymetrische Antenne angeschlossen werden soll. Der Eingang wird umschaltbar zwischen zwei Eingangsbuchsen. An den einen Eingang kommt der TRX, an den anderen der Antennenanalysator, so kann ich immer mal nachstimmen ohne auf Sendung gehen zu müssen.

Für die Spule wird ein Ringkern T130-2 verwendet. Sie hat 40 Windungen aus 1,2 mm Kupferlackdraht, die Anzapfungen liegen bei 1, 2, 3, 5, 7, 9, 12, 16, 22, und 30 Windungen. Der unbenutzte Teil der Spule bleibt offen. Die maximale Induktivität beträgt bei 3,6 MHz 20 µH.
Als Drehkondensatoren kommen zwei 240 pF-Kondensatoren mit 0,7 mm Plattenabstand zum Einsatz. Der Plattenabstand ist nicht gerade reichlich aber, so hoffe ich, für meine 50 Watt-Endstufe ausreichend, zumal ich sie normalerweise nur mit 12 V statt 13,8 V betreibe und die Ausgangsleistung so nur etwa 30 Watt beträgt.
Als Schalter, sowohl für den 4-poligen Umschalter als auch für den 12-stufigen Schalter für die Spule, kommen Drehschalter mit 300 Volt/5 Ampere Belastbarkeit zum Einsatz. Da im Normalfall nur ohne Ausgangsleistung, und falls aus Versehen mal doch, nur beim Abstimmen mit maximal 2,5 Watt, geschaltet wird, sollte das reichen.
Da die Drehkondensatoren isoliert montiert werden müssen, sind sie auf eine Epoxy-Platte (LP-Basismaterial, von dem die Kupferschicht in mühevoller Arbeit entfernt wurde) montiert, welche mit 10 mm langen Abstandsbolzen an der Gehäusefront befestigt ist. Die Bohrungen in der Gehäusefront haben einen Durchmesser von 12 mm, so ergibt sich zu den 6 mm Drehko-Achsen ein Abstand von 3 mm. Durch Auswahl entsprechender Drehknöpfe ist direktes Berühren der Drehko-Achsen ausgeschlossen. Die Drehschalter wurden auf die selbe Epoxy-Platte montiert, so ergibt sich ein einheitlicher Abstand der Drehknöpfe zur Gehäusefront.


In der T-Stellung wird auf allen 3 Bändern jeweils über das gesamte Band ein SWV < 1,1 erreicht. Im 80- und 40-Meter-Band ist häufiges Nachstimmen erforderlich, während im kompletten 20-Meter-Band mit ein und der selben Stellung ein SWV < 1,3 erreicht wird.
In der PI-Stellung wird im 80- und 40-Meter-Band nur ein SWV von 3 bzw. 1,3 erreicht, im 80-Meter-Band wäre für ein besseres SWV eine höhere Induktivität erforderlich.
Am letzten Märzwochenende beim CQ WW WPX Contest (keine Teilnahme, nur ein Checklog) konnte ich den Antennentuner ausgiebig testen. Spannungsüberschläge traten bei Betrieb an der oben genannten Antenne nicht auf. Ein paar neue Länder kamen für mich hinzu. Das weiteste war Georgien mit 2600 km. Das liegt schon in Asien. Also mein erstes "DX".
Letztendlich hätte es gereicht, wenn ich den Tuner als T-Glied aufgebaut hätte. Trotzdem ist es ganz interessant, mal beide Varianten unter an sonsten gleichen Bedingungen zu testen.