zur Hauptseite

6V Lichtmaschinenregler

Vor inzwischen über 10 Jahren habe ich mal einen Lichtmaschinen-Spannungsregler gebaut. Er läuft seit dem in einer AWO störungsfrei. Deshalb denke ich, die Schaltung ist ausreichend getestet, so daß man sie mal ins Netz stellen kann.


 
Die Regelspannung wird durch die Z-Diode V1 festgelegt und ist etwa 1V größer als die Z-Spannung (Basis-Emitter-Spannung von V2 + Spannungsabfall über R3). Für den Betrieb mit einer Batterie ist für eine ausreichende Ladung sicher ein Z-Diode mit 6,2V günstiger. V2 und V3 bilden einen Schmitt-Trigger mit einer Hysterese von einigen 100mV. Da V4 als Schalter arbeitet, ist nur ein kleines Kühlblech notwendig. Als Rückstromschalter (nicht eingezeichnet) dienen 2 parallel geschaltete Germaniumdioden. Diese haben eine relativ geringe Flußspannung, so dass von der erzeugten Spannung nicht viel verloren geht. Trotz dem sollten sie wegen des relativ hohen Stromes auf ein Kühlblech montiert werden (wenn mehrere Dioden parallel verwendet werden, dann alle auf ein Kühlblech, wegen der gleichmäßigen Erwärmung, sonst fließt durch die wärmere noch mehr Strom, sie wird noch wärmer...).
Die Schaltung wurde diskret aufgebaut, so dass sich ein definiertes Anlaufverhalten bei niedrigen Spannungen ergiebt. Bei niedrigen Spannungen ist V2 durch die Z-Diode gesperrt und V3 und V4 leiten. Die Feldspule der Lichtmaschine erhält so die volle Spannung. Die Lichtmaschine läuft so schon bei niedrigen Drehzahlen an und eignet sich so auch für einen Betrieb ohne Batterie. Schaltungen mit integrierten Bauelementen haben meist erst bei einigen Volt Betriebsspannung ein definiertes Verhalten. Deshalb sind solche Schaltungen zum Start auf eine hohe Lichtmaschinendrehzahl oder auf die Hilfe der Batterie angewiesen.
Die in der Schaltung angegebenen Transistortypen sind alte DDR-Typen (wie gesagt, die Schaltung wurde vor über 10 Jahren aufgebaut). Es dürfte aber nicht schwer sein, sie durch etwas aktuellere Typen zu ersetzen. Für V2 und V3 kann man praktisch alle npn-Typen nehmen die einen Kollektor-Emitter-Strom von 200mA vertragen. Der für V4 notwendige zulässige Kollektor-Emitter-Strom richtet sich nach der verwendeten Lichtmaschine. Für die 6V-Lichtmaschine der MZ-Motorräder und der AWO sind das 3Ampere.
Die fehlende Strombegrenzung (beim mechanischen Regler durch die Stromspule) hat sich im praktischen Betrieb bisher als nicht nachteilig herausgestellt. Warscheinlich begrenzen die Leitungswiederstände den Strom ausreichend, auch bei leerer Batterie.
Mit Verdoppelung aller Wiederstandswerte und Verwendung einer 12V-Z-Diode müsste die Schaltung auch für 12V verwendbar sein, das wurde aber nicht getestet.

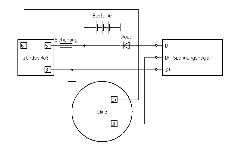
Verschaltung des Reglers ohne Batterie:



Verschaltung des Reglers mit Batterie:

zur Hauptseite